Основываясь на принципе электромагнитной индукции, метод неразрушающего тестирования называется неразрушающим тестированием, которое может неразрушающему оценить некоторые свойства проводящих материалов и их заготовки путем обнаружения изменения индуцированного вихревого тока в тестируемых заготовках или найти дефекты. В промышленном производстве вихревое тестирование тока является одним из основных средств для контроля качества различных металлических материалов и нескольких не - металлов (таких как графит, композиты из углеродного волокна и т. Д.) И их продукты. По сравнению с другими неразрушающими методами тестирования вихревое тестирование тока легче реализовать автоматизацию, особенно для таких профилей, как трубки, стержни и провода.
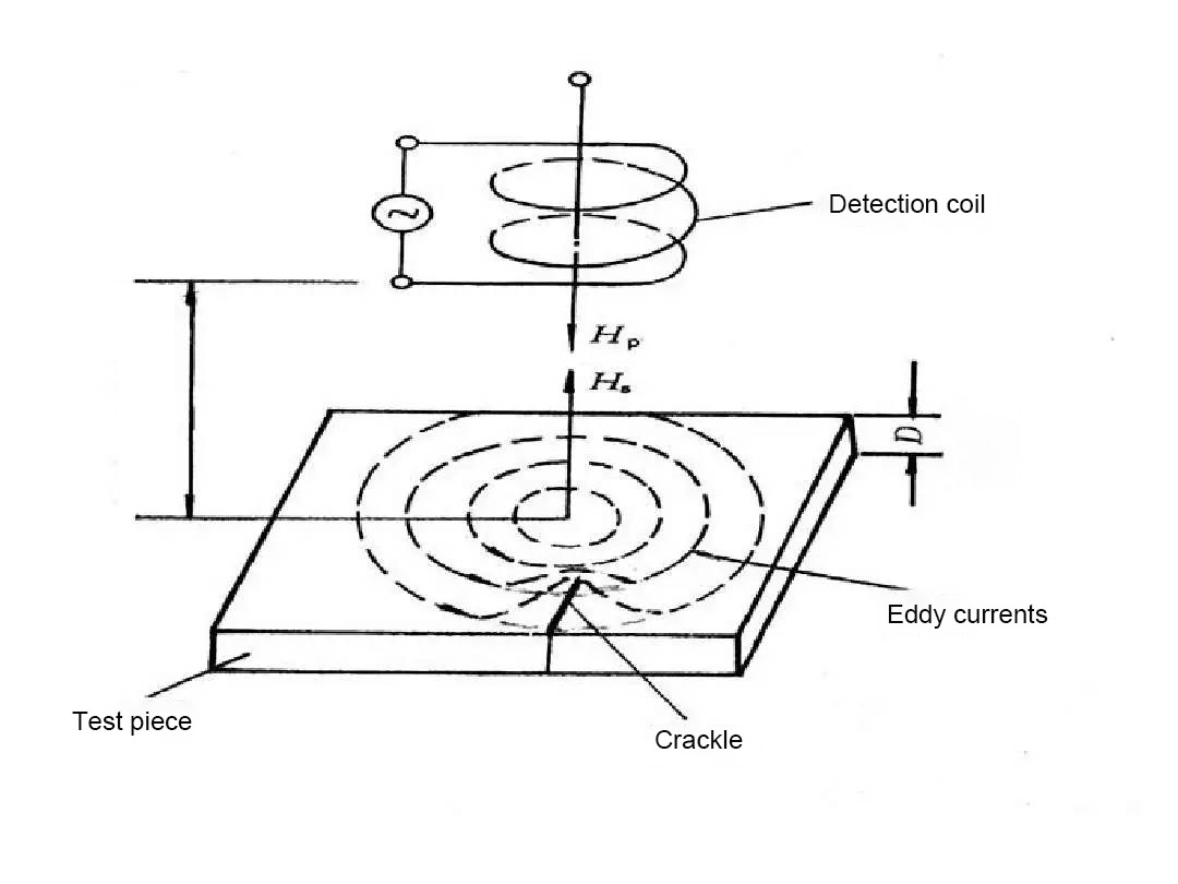
Тест вихревого тока (ET) состоит в том, что когда проводник помещается в изменяющееся магнитное поле, из -за индуцированного электрического поля вихря вокруг изменяющегося магнитного поля, индуцированное электрическое поле действует на свободный заряд в проводнике, в результате чего заряд движется и образует вихревой ток. Если металлическая заготовка имеет дефекты, это изменит интенсивность и распределение поля вихревого тока и изменит импеданс катушки. Обнаружение изменения может судить, есть ли дефекты.

Характеристики тестирования вихревого тока
Преимущества
1. Во время обнаружения катушка не должна связываться с заготовкой или сцепной, поэтому скорость обнаружения быстрая.
2. Он обладает высокой чувствительностью обнаружения для дефектов на поверхности заготовки или вблизи его, и обладает хорошим линейным индикацией в определенном диапазоне, который может использоваться для управления качеством и контроля.
3. его можно проверить при высокой температуре, узкой площади заготовки и глубокой стенке отверстия (включая стенку трубы).
4. Он может измерить толщину металлического покрытия или не - Металлическое покрытие.
5. Он может проверить не - Металлические материалы, которые могут вызвать вихревой ток, такие как графит.
6. Сигнал обнаружения представляет собой электрический сигнал, который можно оцифровать для хранения, воспроизведения, сравнения данных и обработки.
Недостатки
1. Объект должен быть проводящим материалом и подходит только для обнаружения дефектов поверхности металла.
2. Когда сквозь катушку используется для ET, удельное положение на окружности дефекта не может быть определена; Вращающийся зонд тип ET может быть расположен, но скорость обнаружения медленная.

Применение вихревого текущего тестирования в нефтехимической промышленности
Технология тестирования вихревого тока используется для получения сервисных и предварительных испытаний труб не - железовых и железных металлов (таких как медная труба, титановая труба, труба из нержавеющей стали, четыре трубы и т. Д.) На электростанциях (тепловые электростанции, ядерные электростанции), нефтерохимические (масляные места, нефтеперерабатывающие заводы, химические установки) и другие поля. Межгранулярная коррозия, истончение толщины стенки и износ внешней стенки труб можно надежно обнаружить. Все виды труб MTSCO также будут подвергаться вихревым неразрушающим осмотрам перед доставкой, чтобы обеспечить качество труб. Вмешательские сигналы опорной пластины и трубной пластины могут быть эффективно удалены в обнаружении. Технология обнаружения акустического импульса может использоваться для быстрого обнаружения различных металлов или не - Металлических трубопроводов; Технология металлической магнитной памяти используется для диагностики раннего повреждения ферромагнитных частей in - Сервисное оборудование.
Время публикации: апрель - 08 - 2022

